Slurry Duty Double Cartridge Mechanical Seal – SPS-610
Slurry Duty Double Cartridge Mechanical Seal – SPS-610
Overview
The SPS-610 by HydroMax Seal is a double cartridge mechanical seal designed with an integral, bi-directional barrier fluid pumping ring, making it ideal for slurry applications where process fluids contain solid particles. This includes use in Mining & Mineral, Pulp & Paper, and Water & Wastewater sectors.
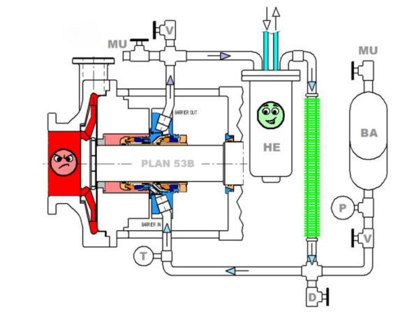
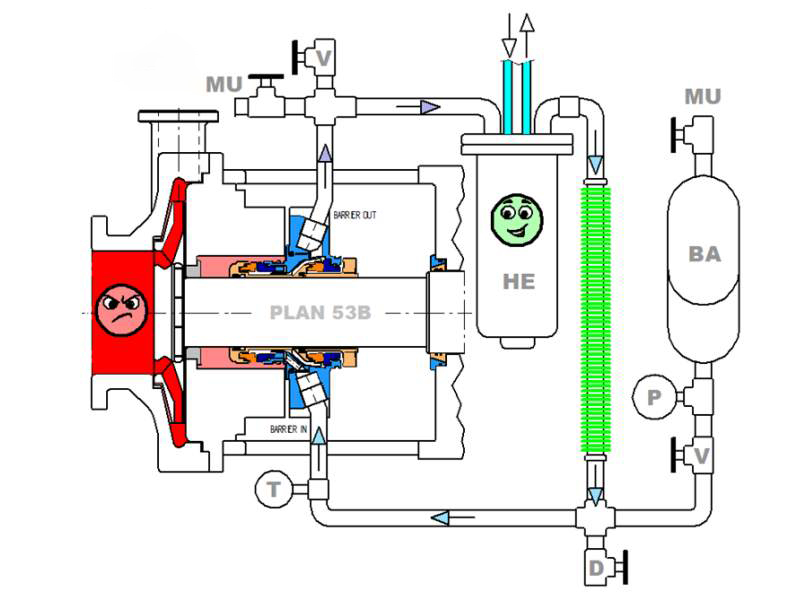
With a stationary seal design, the SPS-610 is delivered as a complete cartridge solution and is engineered for use with Plan 53, 53A, 53B, and 53C piping systems.
Product Description
Key Design Features
- Large Seal Port Orifices: 1/2″ NPT Barrier Fluid In (BI) and Barrier Fluid Out (BO) for Plan 53 or 52 systems
- Integral Flow Deflector: Directs barrier fluid to inboard faces while outlet over outboard faces ensures effective heat removal at both sealing interfaces
- Gland Insert with Vortex Breakers: Optimized for slurry media or fluids with suspended solids
- API682-Compliant Clearances: Radial clearances meet best practice standards for seal reliability
- Monolithic Seal Faces: Enhance performance in high-temperature environments
- Self-Aligning Stationary Seal Face: Suitable for high-speed equipment and accommodates misalignment
- Multi-Spring Construction: Springs are located outside the process fluid for reduced fouling
- Bi-Directional Pumping Ring: Ensures efficient circulation of barrier fluid
- Seal Support Compatibility: Designed for seamless integration with HydroMax Seal’s Plan 53 series support systems
Technical Specifications
| Seal Shaft Sizes | All sizes supported |
| System Vessel Sizes | 3.17 gallons and 7.40 gallons |
| Inboard Seal Face Combinations | TC/TC Car / TC Ant. Car / RB SiC Ant. Car / TC RB SiC / RB SiC |
| Outboard Seal Face Combinations | Car / TC Car / RB SiC Ant. Car / RB SiC Ant. Car / TC TC / TC |
| Gasket Material | Spiral Wound Stainless Steel, Graphite |
| Secondary Sealing Materials | Viton, Alfas, ERP, Kalrez |
| Maximum Shaft Speed | Up to 4,000 rpm |
| Maximum Pressure Rating | Up to 362.6 psig |
| Instrumentation | Designed for use with Plan 53 systems |
| Temperature Rating | Up to 482°F |
Purpose-Built for Slurry Applications
The HydroMax SPS-610 is engineered for performance in space-constrained seal chambers and thin cross-section stuffing box bores. Its stationary design incorporates proven best practices, ensuring long-term reliability and efficiency in harsh slurry environments.
Typical Applications & Industry Use Cases
The SPS-610 is a double-cartridge mechanical seal designed specifically for slurry and solids-bearing fluid services. With an integral bi-directional barrier-fluid pumping ring, large port orifices, vortex-breaker gland insert, and self-aligning stationary seal face, it is engineered to deliver high reliability and long life even under abrasive, particle-laden, or contaminated media conditions.
Industries Served
Mining & mineral processing
- tailings, slurry transport, ore-processing pumps.
Pulp & paper
- pumps handling pulp slurry, fiber-laden flows, and sludge-type media.
Water and wastewater treatment
sludge pumps, grit/slurry handling in wastewater, thickened/sludgy effluents.
General processing plants with abrasive or particulate-bearing fluids
any application needing a robust, double-seal slurry solution.
Equipment & Use-Case Scenarios
- Centrifugal pumps and process pumps where the pumped fluid contains suspended solids, abrasive particles, or sludge — especially where standard seals fail due to erosion, clogging, or face damage.
- Systems requiring a dual-seal arrangement with external barrier-fluid circulation (e.g., Plan 53/Plan 53A/53B/53C) to isolate process fluid from the atmosphere and maintain clean lubrication fluid between seal faces.
- Applications with a limited seal-chamber (stuffing-box) cross-section or thin seal-chamber bore (“thin x-section seal chambers”) — the SPS-610’s cartridge design accommodates such constraints while still providing heavy-duty sealing capability.
- Pumps with moderate to high shaft speeds (up to 4,000 rpm) or pressure up to typical slurry-pump operating ranges; the self-aligning stationary face design helps tolerate misalignment or shaft movement.
Why It Fits These Applications
- The bi-directional pumping ring ensures continuous barrier-fluid circulation across both inboard and outboard seal faces, maintaining lubrication, cooling, and flushing — essential under abrasive slurry service.
- Large ½″ NPT barrier inlet and outlet ports provide sufficient flow capacity for Plan 53 (or similar) barrier-fluid circuits, helping with heat removal and a stable fluid film under load.
- The gland insert with integrated vortex-breaker geometry reduces turbulence and minimizes the risk of solid particle swirl and face erosion — beneficial for media with suspended solids or abrasive particles.
- Cartridge-style construction and self-aligning stationary faces simplify installation and help accommodate shaft misalignment, thermal expansion, or radial movement — increasing seal reliability under tough, shifting operating conditions.
Installation Guidelines
Before installing the SPS-610 cartridge, thoroughly clean and inspect the pump shaft, seal-chamber bore, and gland face. Ensure alignment, remove any scoring, deposits, or corrosion, and verify dimensional tolerances.
Carefully slide the cartridge into place; ensure the barrier-fluid inlet (BI) and outlet (BO) ports, and all quench/drain connections (if used) are correctly oriented as per your barrier-fluid system design.
Secure gland/clamp bolts and set-screw drive (if included) per manufacturer instructions. Connect the barrier-fluid supply and return lines (Plan 53 or equivalent), vent the loop to remove air, and verify flow before initiating pump operation.
Commission the pump under controlled conditions: start with barrier-fluid circulation, confirm smooth flow and stable pressure/temperature, then ramp to full load — monitoring seal-face stability and barrier-fluid conditions.
Document baseline parameters (barrier-fluid pressure, flow, fluid temperature, seal-face temperature, shaft speed) to help with future monitoring and preventive maintenance planning.
Maintenance & Inspection Best Practices
- Monitor barrier-fluid loop routinely: track flow rate, pressure drop across filters/strainers, temperature rise, and fluid cleanliness. Any drop in performance or fluid degradation may indicate wear, contamination ingress, or impending seal issues.
- At scheduled shutdowns (or during maintenance windows), if feasible, remove the cartridge seal for inspection: check the seal faces for signs of wear, scoring, or erosion; inspect the O-rings/gaskets and springs for integrity; examine the barrier-fluid pumping ring and port passages for blockages, sludge, or deposits.
- Maintain an operational log documenting fluid properties (solids content, pH, abrasiveness), operating conditions (shaft speed, pressure, temperature), start-stop cycles, vibration events, and any irregularities. Use this data to predict maintenance intervals and preempt seal failure.
- Replace secondary seals (O-rings, gaskets) and refresh barrier-fluid system fluids and filters on a preventive schedule — rather than waiting for an obvious failure. This helps maintain barrier-fluid cleanliness and seal performance, especially in abrasive slurry service.
- If operational conditions change — e.g., increased abrasiveness, higher solids loading, more aggressive chemistry, higher temperature, or speed — re-evaluate seal materials and barrier-fluid plan. Trade-offs may call for upgraded face materials, more frequent maintenance intervals, or an alternate seal design.
Service & Support Options
- Pre-installation application review: ensure correct seal-face material combinations (e.g., TC/TC, SiC/SiC, Carbide-based faces), elastomer compatibility, and barrier-fluid support system layout, based on process fluid characteristics and operating load.
- On-site or remote commissioning assistance to set up barrier-fluid loop, ensure correct port orientation, verify flow, and monitor seal-face temperature during initial load ramp-up.
- Spare parts kits specific to SPS-610, including seal faces, O-rings/gaskets, springs, gland-insert components, and barrier-fluid pumping elements, to facilitate fast turnaround during maintenance.
- Upgrade/retrofit support: as process severity increases (e.g., higher solids content, abrasive media, elevated temperature), you can migrate to tougher materials, more wear-resistant face combinations, or enhanced barrier-fluid plans.
- Preventive maintenance programmes: condition-based monitoring, performance trending, scheduled inspections and part replacement — helping maximise mean-time-between-maintenance (MTBM), reduce unplanned downtime and optimise lifecycle cost of ownership.
Related Products
Contact HydroMax Seal
Contact HydroMax Seal today for innovative solutions, expert guidance, and over a century of engineering excellence. Your journey to mechanical sealing excellence starts with HydroMax Seal!
E-Mail: sales@hydromaxseal.com
Address: 18511 Beaumont Hwy Building D
Houston, TX
77049









