Double Cartridge Seal SPS-610 – Durable Industrial Mechanical Seal
Double Cartridge Seal SPS-610 – Durable Industrial Mechanical Seal
Overview
HydroMax Seal SPS-610 | Double Cartridge Mechanical Seal for Slurry Applications
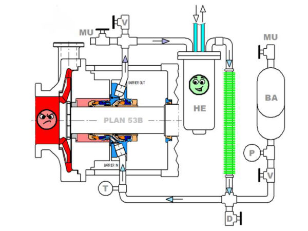
The SPS-610 is a double-cartridge mechanical seal featuring an integral, bi-directional barrier fluid pumping ring. Engineered for slurry service, it is ideal for handling process fluids with suspended particles in sectors such as Mining & Mineral, Pulp & Paper, and Water & Waste.
This innovative stationary seal design is supplied as a complete cartridge mechanical seal solution and is fully compatible with Plan 53, 53A, 53B, and 53C system piping arrangements.
Product Description
Design Features
- Large 1/2″ NPT Barrier Fluid In (BI) and Barrier Fluid Out (BO) ports for Plan 53 or 52 systems
- Integrated deflector directs barrier fluid to inboard faces; outboard fluid exit provides efficient dual-face cooling
- Gland insert includes inboard vortex breakers for optimized performance in slurry and solid-laden media
- Radial clearances meet API 682 best practice standards
- Monolithic seal faces for enhanced high-temperature reliability
- Stationary seal configuration with self-aligning seal face—suited for high-speed applications
- Multi-spring design keeps springs out of process fluid for improved service life
- High-efficiency bi-directional barrier fluid pumping ring
- Designed for use with HydroMax Seal Plan 53, 53A, 53B, and 53C seal support systems
Technical Specifications
| Seal Shaft Sizes | All |
| System Vessel Size | 3.17 US gallons and 7.40 US gallons |
| Inboard Seal Face Combination | TC/TC, Car/TC, Ant.Car/RB SiC, Ant.Car/TC, RB SiC/RB SiC |
| Outboard Seal Face Combination | Car/TC, Car/RB SiC, Ant.Car/RB SiC, Ant.Car/TC, TC/TC |
| Gasket | Spiral Wound Stainless Steel, Graphite |
| Secondary Sealing | Viton, Alfas, ERP, Kalrez |
| Shaft Speeds | up to 4,000 rpm |
| Pressures | up to 362.6 psig |
| Instrumentation | Compatible with Plan 53 piping systems |
| Temperatures | up to 482°F |
The SPS-610 is a robust and compact stationary mechanical seal solution, specifically developed for slurry duties in standard thin cross-section seal chambers and stuffing box bores.
Related Products
Contact HydroMax Seal
Contact HydroMax Seal today for innovative solutions, expert guidance, and over a century of engineering excellence. Your journey to mechanical sealing excellence starts with HydroMax Seal!
E-Mail: sales@hydromaxseal.com
Address: 18511 Beaumont Hwy Building D
Houston, TX
77049









