Compact Single Cartridge Seal SPW131 – Durable Industrial Seal
Compact Single Cartridge Seal SPW131 – Durable Industrial Seal
Overview
HydroMax Seal SPW-131 | Compact Single Cartridge Seal with Vortex Breakers for API Plan 31
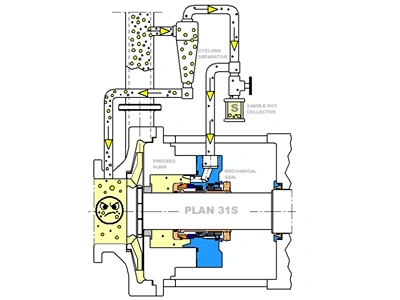
The SPW-131 is a single-cartridge mechanical seal specifically engineered for API Plan 31 systems. Featuring integral vortex breakers in the gland plate, it is ideal for handling fluids with suspended particles or solids in applications conforming to API610 Ed.5 onwards. Its compact design makes it well-suited for equipment with limited cross-sectional space.
The seal is supplied as a complete cartridge unit and integrates seamlessly with Plan 31 Cyclone Separator systems and sample collection pots.
Product Description
Design Features
Flush orifice optimized for Plan 31 – avoids abrasive jetting on seal faces
Integral vortex breakers in the gland plate for enhanced solids handling
Compact cartridge design with short inboard and outboard lengths
Hydraulically balanced, monolithic seal faces for thermal and pressure stability
Multi-spring configuration with springs positioned out of the process fluid
Designed to pair with HydroMax Plan 31 auxiliary systems
Technical Specifications
| Seal Shaft Sizes | ALL |
| Inboard Seal Face Combinations | TC/TC – Car/TC – Ant.Car/RB SiC |
| Gasket Materials | Spiral Wound Stainless Steel, Graphite |
| Secondary Sealing (Elastomers) | Viton, Alfas, ERP, Kalrez |
| Maximum Shaft Speed | Up to 4,000 rpm |
| Maximum Pressure Rating | Up to 362.6 psig |
| Operating Temperature | Up to 302°F |
| Instrumentation | Used in conjunction with a Plan 31 piping system |
Note:
Performance data reflect independent limits for each condition. Avoid using upper limits of speed, pressure, and temperature in combination without HydroMax technical validation.
Typical Applications & Industry Use Cases
The SPW131 Compact Single Cartridge Seal is engineered for space-constrained pump installations where process fluids contain suspended particles or solids and require higher reliability. Featuring a cartridge design with integral vortex breakers and a short axial length, it aligns perfectly with systems requiring API Plan 31 compliance and compact mechanical sealing solutions.
Industries Served
Chemical processing
Centrifugal pumps handling slurry or solids-bearing media under flush or cyclonic separation.
Oil & gas & petrochemical
Compact pumping arrangements in refinery services or chemical injectors where shaft space is limited.
General industrial
Water-treatment pumps, booster systems with solids loading, or auxiliary systems with tight envelope constraints.
Mineral and mining
Small-to-medium pumps where compact installation and reliability are key.
Equipment & Use-Case Scenarios
- Centrifugal pumps with small cross-sectional seal chambers needing a short inboard/outboard dimension seal.
- Pumps that operate with a flush or cyclone separator pipework arrangement (Plan 31) where solids or particles are present.
- Refurbishment of older pump systems where space around the gland area is limited and a compact cartridge solution delivers a cost-effective upgrade.
- High-speed pump shafts (up to 4,000 rpm) that require a balanced, hydraulically stable seal within a compact footprint.
Why It Fits These Applications
- Its compact single-cartridge format allows installation in tight fit-up configurations, reducing rework and enabling retrofit in constrained assemblies.
- The integral vortex breakers in the gland plate minimise swirling or eddy currents behind the flush ports and support effective handling of suspended particles.
- Hydraulically balanced, monolithic seal faces ensure temperature and pressure stability under dynamic fluid conditions.
- Multi-spring arrangement located outside the process fluid enhances reliability in contaminated or particle-laden service.
Installation Guidelines
Verify that the shaft and mounting surfaces are clean, straight, and within tolerance before inserting the cartridge seal.
Insert the cartridge without forcing or misaligning the gland plate; ensure the vortex-breaker grooves align correctly with the flush/cyclone ports.
Secure the set-screw drive as specified and clamp the gland according to standard procedure; confirm the flush/cyclone pipework is properly connected and drained.
Commission the flush or cyclone separator (Plan 31) system to ensure correct flow and particle removal; avoid direct high-velocity jetting of particles onto the stationary face.
Ensure the shaft speed, temperature, and pressure conditions fall within the published limits and that elastomer/material selections are matched to the process.
Maintenance & Inspection Best Practices
- Regularly inspect the seal chamber for signs of wear, leakage, buildup of solids, or seal-face scoring. A compact cartridge design simplifies removal and inspection.
- Monitor the flush or cyclone system flow, pressure drop, and particle removal efficiency: effective flushing is critical in solids-handling service.
- During scheduled shutdowns or pump re-servicing, remove the cartridge for face inspection, confirm the condition of secondary seals (O-rings, gaskets), and replace as required.
- Log key performance parameters, such as shaft speed changes, fluid solids content, seal chamber temperature, and flush system performance, to support preventive maintenance.
- If operating conditions evolve (e.g., higher solids content, increased shaft speed, tighter space), coordinate with HydroMax Seal to upgrade or re-specify the cartridge.
Service & Support Options
HydroMax Seal offers full lifecycle support for the SPW131:
- Pre-installation consultation for correct flush/cyclone system integration and compact seal chamber accommodation.
- Field or remote installation support and commissioning assistance to ensure proper flush/cyclone functionality and seal orientation.
- Spare parts kits specific to the SPW131 cartridge (seal faces, springs, O-rings, gland plates) to simplify future maintenance.
- Lifecycle upgrade pathways if operating conditions intensify (higher speed, higher solids loading, retrofit into existing pumps).
- Preventive maintenance programmes are designed to reduce downtime, optimise seal life, and document performance trend data to improve reliability.
With proper installation and maintenance, the SPW131 delivers compact yet high-performance sealing in a variety of challenging pump applications – providing reliability, minimal envelope disruption, and reduced service cost.
Related Products
Contact HydroMax Seal
Contact HydroMax Seal today for innovative solutions, expert guidance, and over a century of engineering excellence. Your journey to mechanical sealing excellence starts with HydroMax Seal!
E-Mail: sales@hydromaxseal.com
Address: 18511 Beaumont Hwy Building D
Houston, TX
77049





